Bài viết này sẽ cung cấp cho các bạn kiến thức cơ bản để xây dựng nhà cấp 4 kiên cố, vững chãi, hãy cùng chúng tôi tìm hiểu để lên phương án xây dựng tốt nhất cho căn nhà của mình nhé!
- Các loại móng nhà cấp 4
Trước tiên cùng tìm hiểu móng nhà cấp 4 là gì, móng nhà cấp 4 chính là phần kết cấu kỹ thuật nằm dưới cùng công trình xây dựng, đảm bảo cho công trình được chắc chắn dưới sức ép trọng lực của toàn bộ công trình vào nền đất.
Móng đảm bảo phải không lún, nứt, đổ vỡ công trình, là một trong các yếu tố quan trọng nhất của công trình xây dựng, quyết định đến sự bền vững, kiên cố đồng thời là nền tảng nâng đỡ của cả công trình.
Móng được phân thành nhiều loại với hình dạng và kích thước khác nhau phụ thuộc vào độ cao, mức tải trọng công trình và tính chất khu đất. Các loại móng điển hình là: Móng tự nhiên, móng đơn, móng cọc, móng băng, móng bè.
Móng tự nhiên: Là loại móng không cần đào bới hay gia cố, nó được hình thành sẵn trong tự nhiên và bản thân đã đủ khả năng chịu lực cho công trình. Thường là đất cứng, rất rắn chắc hoặc đông trình đơn sơ có tải trọng thấp.
Móng đơn: Đỡ 1 cột hoặc cụm cột sát nhau có tác dụng chịu lực.
Móng cọc: Gồm có cọc, đài cọc, được dùng truyền tải trọng công trình xuống lớp đất tốt nằm ở dưới sâu bằng cách hạ, đóng những cây cọc lớn xuống tầng đất sâu.

Móng cọc

Hình ảnh thi công móng cọc thực tế
Móng băng: Là dạng dải dài, độc lập hoặc giao nhau, thường được thi công bằng cách đào quanh khuân viên xây dựng công trình hoặc đào song song trong khuân viên đó. Là loại móng nông, xây trực tiếp trteen hố đào rồi lấp lại.

Móng băng
Móng bè: Trải rộng toàn bộ phía dưới công trình nhằm giảm áp lực công trình vào nền đất. Được sử dụng chủ yếu với những khu đất yếu, hoặc do cấu tạo công trình.

Móng bè
- Kỹ thuật làm móng nhà cấp 4
2.1 Giằng móng nhà cấp 4
Đất nền thường có trạng thái không đồng nhất thậm chí trong 1 vùng diện tích nhỏ, hoặc những sự cố môi trường không tốt có thể tạo ra vùng đất yếu cục bộ dưới 1 vị trí bất kỳ của kết cấu, dẫn đến lún không đều, ảnh hưởng đến sự bền vững của công trình, do vậy người ta thường nối móng lại với nhau để giảm thiểu việc lún lệch.
Giằng móng là kết cấu liên kết các móng và trên móng nhằm tăng cường độ cứng cho toàn bộ hệ móng. Nếu khoảng cách giữa móng biên với móng giữa > 4,5m thì thường được giằng móng. Đôi khi giằng móng được sử dụng với móng băng dưới tường trong trường hợp mép công trình quá gần công trình khác.

Kỹ thuật làm móng nhà cấp 4 – Giằng móng nhà cấp 4
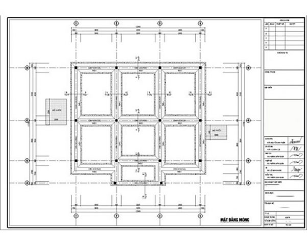
2.2 Sơ đồ móng nhà cấp 4

Sơ đồ móng nhà cấp 4 – mặt bằng

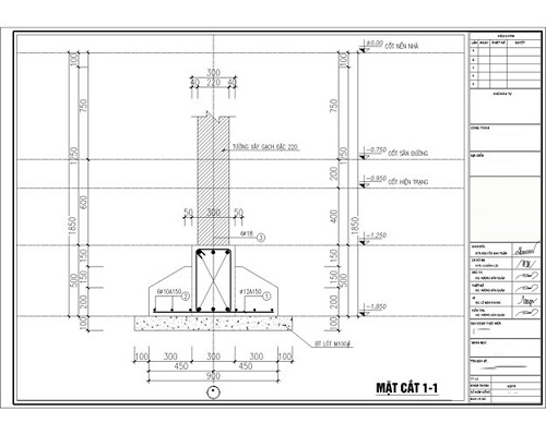
Mặt cắt

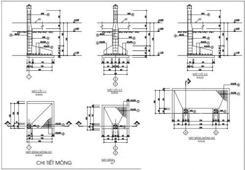
Chi tiết móng nhà cấp 4
- 3. Bản vẽ kết cấu móng nhà cấp 4

Bản vẽ kết cấu móng nhà cấp 4
- Móng gạch nhà cấp 4
4.1 Xây móng nhà bằng gạch
Móng gạch được áp dụng phổ biến trong xây dựng nhà dân bởi phù hợp với điều kiện thi công, giá thành rẻ. Móng gạch được ứng dụng phổ biến trong xây dựng nhà dân ở những vùng đồi núi, vùng cao bởi phù hợp với điều kiện địa chất nền đất tốt.
4.2 Cấu tạo móng gạch
Gối móng: Bộ phận chịu lực chính, tiếp xúc giữa móng và đất, lớp dưới đáy móng là đất tự nhiên.
Lớp đệm: Làm phẳng giúp phân bố đều áp suốt dưới đáy móng.
4.3 Khi xây móng gạch cần chú ý
Chiều rộng đỉnh móng phải lớn hơn kết cấu bên trên 1 cấp, ví dụ tường 220mm thì đỉnh móng khoảng 335mm,
Đáy móng phải rộng trên 500mm cho phù hợp kích thước gạch tiêu chuẩn, mạch vữa đứng 1cm, mạch vữa ngang 1,5cm góc truyền lực a.
Chiều cao từng bậc lấy theo chiều dày từ 2 đến 3 hàng gạch.
Chiều rộng mỗi bậc dựa theo góc a: Có thể giật theo phương pháp 70 – 140 – 70 – 240 góc truyền lực 26,5 độ hoặc 140 – 140 – 140 – 140 góc truyền lực 33,5 độ.
5. Đà kiềng nhà cấp 4
Đà kiểng hay còn gọi là giằng cột, có tác dụng định vị chân cột, giữ khoảng cách giữa các chân cột không bị thay đổi trong quá trình thi công. Đà kiểng tham gia vào toàn bộ kết cấu như khung, cột, dầm và chịu ứng suất sinh ra do lún lệch ở bất kỳ vị trí móng nào. Chịu tải trọng của tường, tránh rạn nứt tầng trệt khi sử dụng.
- Thi công
Gia công lắp dựng cốt thép.
Gia công cốt dọc, cốt đai theo kích thước thiết kế.
Buộc thép thành khung, lắp vào vị trí.
Buộc viên kê độ dày 30mm vào cốt thép giúp đảm bảo chiều dày bê tông bảo vệ cốt thép.
Lắp dựng ván khuôn gỗ.
Ván khuôn được dóng thành hộp, đặt vào đúng vị trí thiết kế.
Sử dụng gỗ 3 x 5 cố định ván khuôn.
- Đổ bê tông
Vệ sinh ván khuôn và cốt thép.
Nghiệm thu ván khuôn, cốt thép.
Trộn, đổ bê tông.
Sử dụng đầm dùi đầm kỹ.
Tháo ván khuôn theo đúng yêu cầu kỹ thuật sau khi đổ bê tông khoảng 1 ngày.











